Behind the Obsession.

These images document the work as it happened. Prototyping, sampling, rejected parts, revised geometry, and long days spent inside factories - nothing staged.

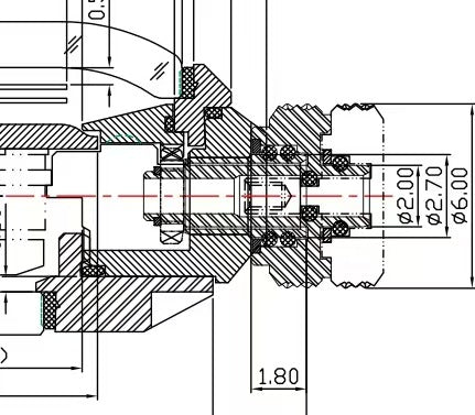
Developing Chapter 1 meant working through real constraints, machining limits, tolerance stacks, assembly sequences, and long-term wear considerations. Many ideas were tested and set aside. Others were refined repeatedly until they behaved as intended.